•產品描述:
U1H1L3N2D 是一款工作電壓達到500V的高性能 半橋 IPM(Intelligent Power Module),即智能功率模 塊。是一種高度集成的半導體器件,內部集成半橋驅 動芯片和高速功率 MOSFET,具備體積小,性能高, 散熱好等優點。 U1H1L3N2D的高度集成性和豐富的功能使其成為 各種工業和商業應用中的理想選擇,能夠提高系統性 能和可靠性。
•主要特點:
內置自舉二極管 l 懸浮絕對電壓: 500V l 內置 500V/3A MOSFET l 負瞬態電壓高 l 柵極驅動電壓范圍 10V~20V l 輸入邏輯兼容3.3V、5V l 集成VCC和VBS欠壓保護 l 防交叉傳導邏輯 l 兩雙通道的匹配傳播延遲
•典型應用:
● 高速風筒 ●風扇 ● 電動工具
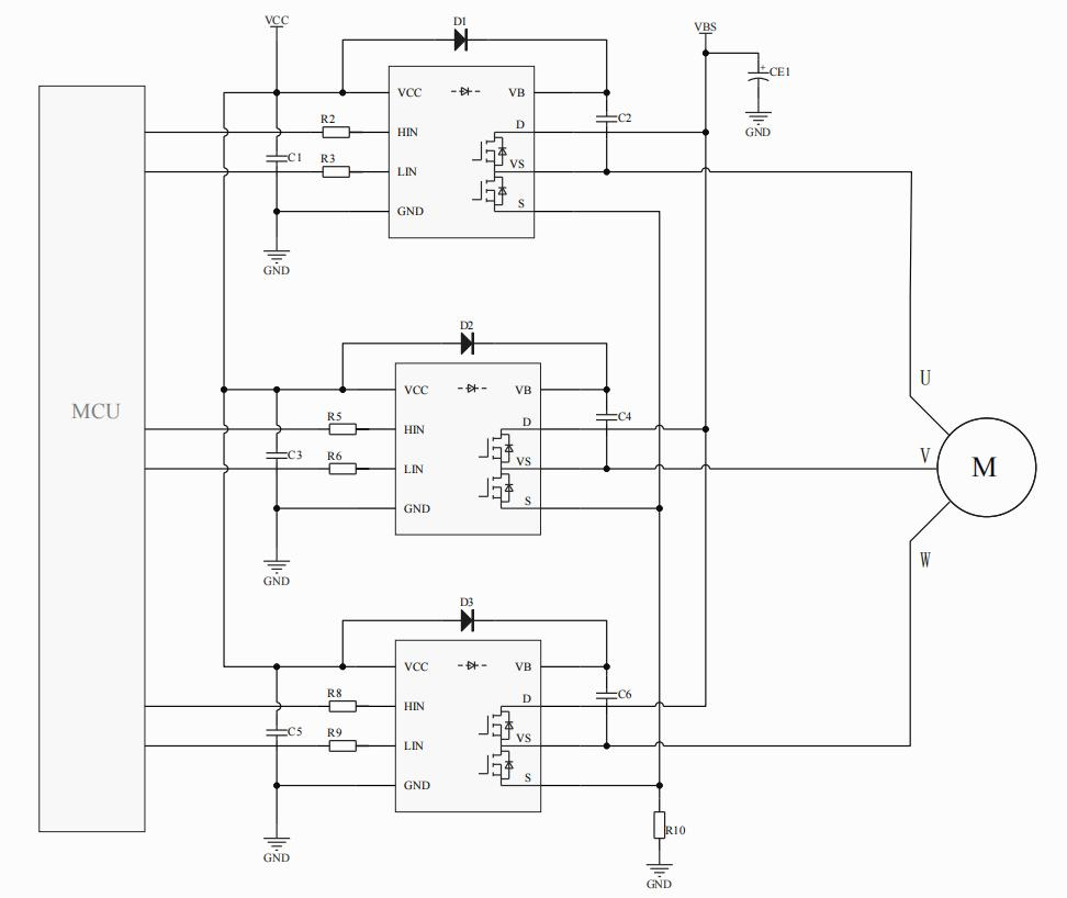
•簡易原理圖

Copyright ? 2015-2023 紹興宇力半導體有限公司
浙公網安備33060202001577
浙ICP備2020037221號-1
技術支持:藍韻網絡